Toggle navigation
Startseite
Unternehmen
Über uns
Unsere Dokumente
Produkte
Kraftspannfutter
Weiche Spannbacken
Harte Spannbacken
T-Nuts
Flansche für Hydraulikspannfutter
Zentrierspitzen
PNEUMATISCHE CILINDER VOOR KLAUWPLAAT
Galerie
Produktbild
Bild der Fabrik
Bekanntgaben
Kontakt
Katalog
Sprache Auswählen
Katalog
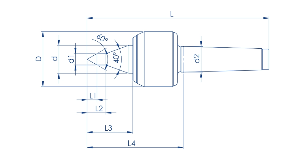
GESPITZTE SPITZE ZENTRIERSPITZEN
Startseite
GESPITZTE SPITZE ZENTRIERSPITZEN
Technische Details
Technische Abmessungen
Whatsapp
Support-Hotline